Skip to content
View in the app

A better way to browse. Learn more.

StereoNET

A full-screen app on your home screen with push notifications, badges and more.

To install this app on iOS and iPadOS
  1. Tap the Share icon in Safari
  2. Scroll the menu and tap Add to Home Screen.
  3. Tap Add in the top-right corner.
To install this app on Android
  1. Tap the 3-dot menu (⋮) in the top-right corner of the browser.
  2. Tap Add to Home screen or Install app.
  3. Confirm by tapping Install.

The new "Listening Room"

Featured Replies

  • Author
1 hour ago, Warren Jones said:

@andyr what does the group delay plot look like? can you post it.

 

See below, Warren.

 

1 hour ago, Warren Jones said:

I built another new pair of speakers (yes it's your fault after I heard yours LOL)

 

Sorry 'bout dat!  :classic_laugh:

 

1 hour ago, Warren Jones said:

and it took me a while to get the GD flat but this makes a huge improvement in clarity and tonal accuracy. From my measurements and listening flat GD is more important than absolutely flat on axis FR.

 

Here's mine - red is GD:

  • sub-to-mid/bass XO is 48dB L-R @ 90Hz
  • mid/bass-to-tweeter XO is 24dB L-R @ 2800Hz.

 

The grey line is what happened when I then clicked "Generate Minimum Phase":

 

 

image.thumb.png.8129af36369541d5848633b4b6021f60.png

 

 

I'd be very interested to know what I need to do to flatten it out.  :thumb:

 

Andy

 

  • Replies 524
  • Views 67k
  • Created
  • Last Reply

Top Posters In This Topic

Most Popular Posts

  • Well, today I finished re-assembling my SkeletaLinn - including installing a Karousel bearing in place of the Cirkus bearing.   With some trepidation ... I then performed the "motor vibratio

  • The flight deck — it's all way beyond my feeble understanding but it sounds excellent.    

  • Well, it's time for an update!     The months since early May have been a type of purgatory in that I have had several different problems reveal themselves - and have been unable to sit down

Andy try gating the measurement as some of the ripple could be room, it'll increase the minimum frequency that will show on the plot. 8ms will give you results to about 125Hz.

  • Author
1 hour ago, Warren Jones said:

Andy try gating the measurement as some of the ripple could be room, it'll increase the minimum frequency that will show on the plot. 8ms will give you results to about 125Hz.

 

By "Gating" ... do you mean this, Warren?

 

image.png.42b57125854856f0d8ca86db16e0ce7d.png

 

 

Andy

That's X and Y axis limits.

 

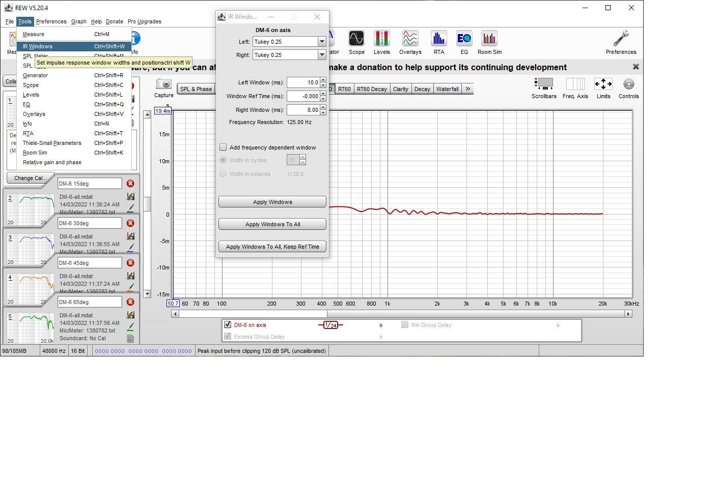
Go to tools, IR Windows. The Right Window ms is the one you you want to change. Ive set mine to 8.00ms

 

IR.thumb.jpg.f15d442f0c5b53c8175883030d05e833.jpg

  • Author

Aah, OK - thanks @Warren Jones.

 

This is what I get when I set "Right Windows" to 8ms.  but, note, I have:

  • Left Window's default setting is 312ms - whereas yours is 10ms.
  • and Window Ref Time's default setting is 0.019ms - whereas yours is 0ms.

Don't know what effect these differences have:

 

image.thumb.png.5fa55881d24f3beca600a140049d3632.png

 

 

Andy

 

The Left window starts the recording X ms before the sweep commences and the Right window is the measurement resolution, I set the Right window so the SW filters the reflections.

 

Look at the impulse response and identify the first reflection. Then set the Right window to filter this reflection that is why my Right window is 8ms. I had the speakers in the shed elevated with the microphone 1.4m off the floor.

  • 3 months later...
  • Author

Well, it's time for an update!  :)

 

The months since early May have been a type of purgatory in that I have had several different problems reveal themselves - and have been unable to sit down for a good listen until today  :( :

 

#1 was the fact that when someone came over for his first listen to non-box spkrs, a CD track we played revealed that the steel U-frames which my drivers are bolted to ... resonated.  Despite this - he must've liked the OB sound bcoz he then went and bought himself some!  :thumb:

 

After his visit, I used my sig-gen to feed different frequencies through the spkrs - and, sure enough, I could hear a 'buzz' develop @ 130Hz.  So then followed a couple of changes - CLD'ing my steel U-frames ... followed by aluminium U-frames.  Neither seemed to completely eliminate resonance from the U-frames - so I had some driver supports made to the same overall dimensions as the metal U-frames ... but made from birch play.  See here:

 

1627386191_PlySpkrSupports-Red.thumb.jpg.d43ff31910133573a8d370a405420aaa.jpg

 

 

Happily, this solved the resonance problem!  The ply frames do vibrate - but they do not make a noise.  :thumb:

 

#2 was swapping over my 2x stereo Class A amps from active cooled cases (2x fans for each case) to 5RU passive cases (so no fans).  This ended up being quite an extended and fiddly job.  :(

 

There were a couple of mis-steps along the way ... but they are finally working the way they should!  Hallelujah!  :thumb:

 

Andy

 

Gee you have been pretty busy, Andy!  Glad that you reached the result that you wanted👍

 

Your system sounded very nice even before this latest flurry of activity, enjoy!! 👏👏

  • Author
21 hours ago, tripitaka said:

Your system sounded very nice even before this latest flurry of activity, enjoy!! 👏👏

 

Thank you, Brett.  :thumb:

 

This flurry of activity hasn't really changed the sound of the system much - in that:

  • I'd never heard any resonance from the steel U-frames in the 6 months I'd been listening to the speakers, before that visitor brought along the fateful CD!  :lol: 
  • and whilst, yes, transferring the amps into passive heatsinked cases removes any fan noise ... it wasn't that the fans previously were very loud - simply that I knew they were making a noise!

But at least I now know that:

  • the new ply supports don't resonate, and
  • there can't be any fan noise occurring!  :)

But as part of the amp case migration, I did make one change which Hugh Dean suggested would make the amps sound better - so, yes, I do have a better-sounding system, now.

 

Andy

 

  • Author

Today, I finished making a pair of my Litz spkr cables (2,5m long) for someone who wanted to replace his "Bill's cables".

 

Here they are ... running in on my mid/bass drivers (as he can't pick them up till next Wednesday):

 

1946585809_Gill-Cables-Playing.thumb.jpg.6262b3d527193ce39291a74e39754f73.jpg

 

 

My normal mid/bass Litz cables are on the floor behind the amp (they're much shorter).

 

Andy

 

12 minutes ago, andyr said:

Today, I finished making a pair of my Litz spkr cables (2,5m long) for someone who wanted to replace his "Bill's cables".

 

Here they are ... running in on my mid/bass drivers (as he can't pick them up till next Wednesday):

 

1946585809_Gill-Cables-Playing.thumb.jpg.6262b3d527193ce39291a74e39754f73.jpg

 

 

My normal mid/bass Litz cables are on the floor behind the amp (they're much shorter).

 

Andy

 

What wire did you use for the construction? Litz is normally enameled wire and wondered if that’s what you are using.

  • Author
1 hour ago, klm said:

Litz is normally enameled wire and wondered if that’s what you are using.

 

Are you shure about that, klm?

 

I agree that back in the 20s, yours was a correct definition but nowadays, my understanding is that 'Litz' means multiple, individually insulated wires ... copper, silver, gold ...

 

The wire I use is Belden 1585A plenum-rated Cat5 cable (ie. 24g solid-core copper with teflon insulation).

 

Andy

 

26 minutes ago, andyr said:

 

Are you shure about that, klm?

 

I agree that back in the 20s, yours was a correct definition but nowadays, my understanding is that 'Litz' means multiple, individually insulated wires ... copper, silver, gold ...

 

The wire I use is Belden 1585A plenum-rated Cat5 cable (ie. 24g solid-core copper with teflon insulation).

 

Andy

 

Litz is a very specific design criteria and I know that Cat5 multi stand doesn’t meet that design. I’m not saying you haven’t made the best multi strand cable out of network cable you can but it’s a stretch to use the Litz descriptor. Wikipedia has quite a lot of detail on the specifics and rational. Worthwhile reading to get a better grasp on what is required.

  • Author
10 hours ago, klm said:

Litz is a very specific design criteria and I know that Cat5 multi stand doesn’t meet that design. I’m not saying you haven’t made the best multi strand cable out of network cable you can but it’s a stretch to use the Litz descriptor. Wikipedia has quite a lot of detail on the specifics and rational. Worthwhile reading to get a better grasp on what is required.

 

And 'Wiki' is the absolute truth on everything?

 

But as it obviously upsets you ... I won't use the term 'litz' again when describing my spkr cable.  Promise!  :thumb:

 

16 minutes ago, andyr said:

 

And 'Wiki' is the absolute truth on everything?

 

But as it obviously upsets you ... I won't use the term 'litz' again when describing my spkr cable.  Promise!  :thumb:

 

Not upset at all, Wiki is accurate in it’s description of the Litz history, cause and effect and a multi strand, single gauge used network cable seems an adopted term.
Not doubting your efforts of stripping out the cat5 and reconfiguring it to your interpretation of what you consider a litz cable to be. I’m sure it will sound amazing or at least better than the fake WE cable.
The devil is in the detail.

An extract from a Stanford University paper, not Wiki where anyone can change content.

 

Magnet wire is used due to the purpose of these being used in high frequency power distribution.

 

The term "Litz wire" is derived from the German word "Litzendraht" meaning woven wire. It is constructed of individually insulated magnet wires either twisted or braided into a uniform pattern, as shown in Fig. 1. The twisting pattern is designed to equalize the duration each individual strand of wire spends on the outside of the conductor. Unlike in the simple twisted-strand hookup wire case, the insulations on individual strands force current to be carried equally and evenly along the whole conductor. This reduces the skin effect loss in the conductor, allowing the wires to be used at high frequency up to about 1 MHz. [1]

 

Conclusion

In conclusion, Litz wires are designed for applications requiring power conductors at high frequency such as induction heating and wireless chargers. By twisting together multiple strands of small insulated conductors, skin effect loss can be reduced. This; however, comes at a cost. With excess thickness from insulation, and extra wire length from the twisting action, Litz wire losses its advantage at above Megahertz frequency level.

 

© Kawin Surakitbovorn. The author grants permission to copy, distribute and display this work in unaltered form, with attribution to the author, for noncommercial purposes only. All other rights, including commercial rights, are reserved to the author.

  • Author

Interesting ... today instead of just having a good time listening - I switched inputs to a source which was switched off, to hear what was coming from my amps without any music playing.

 

Dead silence from the spkrs ... but the 2x power transformers on one amp were humming more loudly than the ones on the other amp.  :(  So I tried one of my 'DCBloks' on each amp:

  • on the one that was humming louder than the other ... the DC blocker reduced the noise down to the level which the other amp had (not hearable more than a metre from the amp case).
  • on the one that had the lesser traffo-humming noise ... the DCblok made no difference.

 

Which I guess is a good result - but I'm wondering why one amp's traffos hum louder than the other, when both of the circuits the amps are plugged into ... have nothing else on them?

 

Andy

 

1 hour ago, andyr said:

Which I guess is a good result - but I'm wondering why one amp's traffos hum louder than the other, when both of the circuits the amps are plugged into ... have nothing else on them?

Are they on the same circuit?

  • Author
1 minute ago, Ittaku said:

Are they on the same circuit?

 

No, Con - separate circuits ... but on the same phase.

 

Just now, andyr said:

 

No, Con - separate circuits ... but on the same phase.

 

Well the logical thing is to put them on the same circuit regardless to see if it persists, or swap them around.

  • Author
1 minute ago, Ittaku said:

Well the logical thing is to put them on the same circuit regardless to see if it persists, or swap them around.

 

Good suggestion - I can try that!  :thumb:

 

Andy in the amp that's noisier try rotating ONE TX 90deg. Even though toroid TX have "uniform" magnetic field if there are 2x TX they can still interfere.

  • Author
1 hour ago, Warren Jones said:

Andy in the amp that's noisier try rotating ONE TX 90deg. Even though toroid TX have "uniform" magnetic field if there are 2x TX they can still interfere.

 

Good suggestion, Warren - yes, I know traffos can interfere,  Which is why I spaced them as far apart as I could, in the 360mm-wide space that I had.  Unfortunately, the only way I could fit everything into the case was to fix them vertically ... to the back of the 10mm-thick front panel.  So they are in line with each other - but I thought, far away from each other not to cause a problem.

 

I meant 180deg turn one TX over. My mind is a bit cloudy ATM.

 

The magnetic field travels with the rule of thumb and the axis of symmetry of the 2 TX might be interfering even that far apart.

  • 3 weeks later...
  • Author

An update ... today the strange amp traffo humming noise I detected a few weeks ago ... is gone!  Yay!  :thumb:

 

So ... amps and spkrs are working as they should - without any "issues".

 

Yesterday, I got out my US cleaning paraphernalia - and have cleaned about 20 LPs I had bought over the last year or so ... but hadn't listened to because I was doing other things than cleaning LPs.  :)

 

So, @metal beat ... I have finished "tweaking" (for now!) - and will soon start "spinning".  :)

 

Andy

 

 

 

Recently Browsing 0

  • No registered users viewing this page.

Account

Navigation

Search

Search

Configure browser push notifications

Chrome (Android)
  1. Tap the lock icon next to the address bar.
  2. Tap Permissions → Notifications.
  3. Adjust your preference.
Chrome (Desktop)
  1. Click the padlock icon in the address bar.
  2. Select Site settings.
  3. Find Notifications and adjust your preference.