Skip to content
View in the app

A better way to browse. Learn more.

StereoNET

A full-screen app on your home screen with push notifications, badges and more.

To install this app on iOS and iPadOS
  1. Tap the Share icon in Safari
  2. Scroll the menu and tap Add to Home Screen.
  3. Tap Add in the top-right corner.
To install this app on Android
  1. Tap the 3-dot menu (⋮) in the top-right corner of the browser.
  2. Tap Add to Home screen or Install app.
  3. Confirm by tapping Install.

Australian Component Vendor

Featured Replies

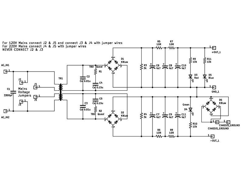
Preferring to buy local.. can anyone suggest an Oz biz that sells quality components please, someone with plenty of ready stock? I'm after some 3k, 1w metal oxcide resistors for a PSU

 

Thanks 

 

AKgrHb56wqoIo6Yn.jpeg.c950c1b1bd68c1e308014c972273f578.jpeg

 

 

20241008_161821.jpg.ab4d9f97ac3d645ec08f25bd5c88bf5c.jpg

 

 

Edited by Allan

Maybe Element 14 or RS Components 

Rickby Electronics here in Melb - plenty of the Phillips PRO-2 2w 3k resistors   Part No 28960  - they're in Rowville - checkout the online site

Sorry, should be ROCKBY ELECTRONICS, not Rickby ...duh!

  • Author

3k is out there but not quite run of the mill like 3.3. The rail voltage may differ

 

Prefer the project stays on spec.. thanks all the same

 

Ele 14, Rockby noted 👍. Tried RS but that was RS

 

 

Edited by Allan

Sorry about that - the on;ly 3kR resistor on the circuit diagram is the R3 and R4 and they are just drain resistors before the first filter caps C6 and C7 - won't make any different at all if they're 3k0, 3k3, etc metal film, metal ixide, 2 x 6k0 in parallel, etc - an entirely 'non-critical' comnponent but the big question is "why does it need replacing, eh"?   What circumstance/demand caused this resistor to fail?

 

...   all the best

  • Author

Ok just capacitor drains. Good pickup, my bad... these bloody new glasses of mine!

Anyway i found some 3k MOX on fleabay and have some being shipped now.

 

No not replacements, it's a new build psu for the Pass Pearl 3 phono

 

Edited by Allan

For the "Pearl", you might have a look at the Salas L-Adapter thread altho the low current requirement might be a "stumbling block" - also, have a look at the B1 project, a fairly simple shunt reg supply that;s vewry good indeed.

Recently Browsing 0

  • No registered users viewing this page.

Account

Navigation

Search

Search

Configure browser push notifications

Chrome (Android)
  1. Tap the lock icon next to the address bar.
  2. Tap Permissions → Notifications.
  3. Adjust your preference.
Chrome (Desktop)
  1. Click the padlock icon in the address bar.
  2. Select Site settings.
  3. Find Notifications and adjust your preference.